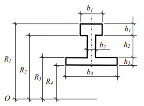
Для определения радиуса кривизны нейтрального слоя поперечного сечения, представленного на рисунке ниже, необходимо воспользоваться формулой …

Другие предметы Колледж Кривизна и нейтральный слой в поперечном сечении сопротивление материалов радиус кривизны нейтральный слой формулы сопротивления поперечное сечение колледж механика материалов расчет радиуса инженерные расчеты материалы и конструкции
Для определения радиуса кривизны нейтрального слоя поперечного сечения, нам нужно использовать одну из предложенных формул. Давайте разберем, как подойти к решению этой задачи.
Шаг 1: Понимание термина "нейтральный слой"
Шаг 2: Выбор правильной формулы
Шаг 3: Подстановка значений
Шаг 4: Вычисление радиуса
Шаг 5: Проверка результата
Таким образом, следуя этим шагам, вы сможете правильно определить радиус кривизны нейтрального слоя поперечного сечения. Если у вас есть конкретные значения, которые нужно подставить, я могу помочь вам с расчетами!