Как будет выглядеть сигнал на выходе дифференциатора, если на его вход подать линейнонарастающий сигнал

Другие предметы Колледж Дифференциаторы в схемотехнике сигнал на выходе дифференциатора линейнонарастающий сигнал отрицательный прямоугольный сигнал положительный прямоугольный сигнал интервал нарастания схемотехника колледж
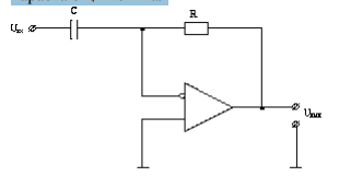
Чтобы понять, как будет выглядеть выходной сигнал дифференциатора при подаче на его вход линейно нарастающего сигнала, давайте рассмотрим основные принципы работы дифференциатора и сам сигнал.
Что такое дифференциатор?
Дифференциатор - это устройство, которое производит на выходе производную от входного сигнала. Это означает, что он реагирует на изменения входного сигнала, а не на его абсолютное значение.
Линейно нарастающий сигнал:
Предположим, что на вход дифференциатора подается линейно нарастающий сигнал, который можно представить как прямую линию, поднимающуюся с течением времени. Например, если сигнал начинает с нуля и постепенно увеличивается до некоторого значения, это будет выглядеть так:
Выходной сигнал дифференциатора:
Так как дифференциатор вычисляет производную, выходной сигнал будет представлять собой скорость изменения входного сигнала. В случае линейного нарастания входного сигнала, производная будет постоянной:
Теперь рассмотрим случай с прямоугольными импульсами:
Если на вход дифференциатора подать отрицательный прямоугольный сигнал (например, от 0 до T2), а затем положительный (от T2 до T3), то выходной сигнал будет следующим:
Итак, подытожим:
Таким образом, выходной сигнал дифференциатора будет состоять из постоянного положительного уровня, чередующегося с отрицательными и положительными импульсами в зависимости от изменений входного сигнала.