Какое значение необходимо присвоить сопротивлению резистора R1 для получения коэффициента усиления усилителя Ко=2?

Другие предметы Колледж Усилители и коэффициент усиления схемотехника колледж коэффициент усиления усилитель сопротивление резистора r₁ значение сопротивления
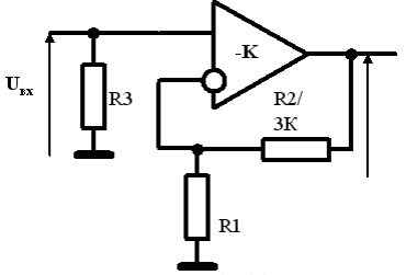
Чтобы определить, какое значение необходимо присвоить сопротивлению резистора R1 для получения коэффициента усиления усилителя Ко=2, нужно рассмотреть основные параметры схемы усилителя. Обычно коэффициент усиления (Ко) в усилителе на операционном усилителе определяется как отношение сопротивлений резисторов в обратной и прямой связях.
Для простоты, предположим, что мы имеем неинвертирующий усилитель. В этом случае коэффициент усиления можно выразить по следующей формуле:
Ко = 1 + (R2 / R1)
Где:
Теперь, чтобы найти значение R1, когда Ко=2, подставим это значение в формулу:
Таким образом, для получения коэффициента усиления 2, необходимо, чтобы сопротивление резистора R1 было равно сопротивлению резистора R2. Если, например, R2 = 10 кОм, то R1 также должен быть 10 кОм.
В заключение, значение сопротивления R1 должно быть равно значению сопротивления R2 для достижения коэффициента усиления 2.