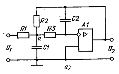
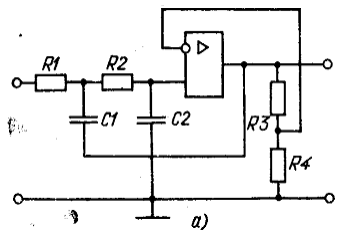
На каком из представленных рисунков изображена схема генератора?



Другие предметы Колледж Генераторы и преобразователи энергии схема генератора схемотехника колледж электрические схемы генераторы учебные материалы технические рисунки
Чтобы определить, на каком из представленных рисунков изображена схема генератора, нужно обратить внимание на несколько ключевых элементов, которые обычно присутствуют в схемах генераторов. Давайте рассмотрим основные характеристики генератора:
Теперь, когда мы знаем, на что обращать внимание, давайте рассмотрим каждый из рисунков:
После анализа всех рисунков, выберите тот, который соответствует описанным характеристикам. Если у вас есть конкретные рисунки, вы можете описать их, и я помогу вам определить, какой из них является схемой генератора.