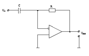
Схема простейшего дифференциатора, несмотря на свою простоту и полезность, имеет несколько недостатков, которые ограничивают её применение. Рассмотрим каждый из них:
- Низкое входное сопротивление на высоких частотах: Это приводит к тому, что при подключении источников сигнала с высоким выходным сопротивлением, может происходить значительное снижение амплитуды сигнала, что негативно сказывается на работе схемы.
- Повышенный уровень шумов на выходе: Из-за сравнительно большого усиления на высоких частотах, схема может усиливать не только полезный сигнал, но и шумы, что ухудшает качество выходного сигнала.
- Склонность к самовозбуждению: Дифференциаторы могут быть склонны к самовозбуждению, особенно если они не имеют достаточной обратной связи. Это может привести к нестабильной работе схемы и появлению нежелательных колебаний.
- Большое напряжение статической ошибки на выходе: В случае, если входной сигнал не является идеальным, выходное напряжение может значительно отклоняться от ожидаемого значения, что приводит к ошибкам в работе устройства.
- Большой температурный дрейф: Компоненты схемы могут изменять свои характеристики при изменении температуры, что приводит к нестабильности работы и необходимости постоянной калибровки.
Эти недостатки делают применение простейшего дифференциатора ограниченным, особенно в высокочастотных и высокоточных приложениях. Поэтому важно учитывать эти аспекты при проектировании схем и выбирать более подходящие решения, если это необходимо.