Укажите схему пикового детектора абсолютного значения



Другие предметы Колледж Пиковые детекторы схема пикового детектора абсолютное значение схемотехника колледж электрические схемы анализ схем пиковый детектор
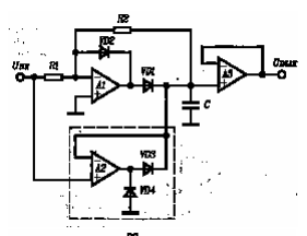
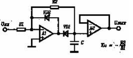
Пиковый детектор абсолютного значения — это устройство, которое позволяет извлекать максимальное значение входного сигнала, независимо от его полярности. Рассмотрим основные компоненты и шаги для построения схемы пикового детектора.
Основные компоненты схемы:Таким образом, схема пикового детектора абсолютного значения будет представлять собой последовательное соединение диода, конденсатора и резистора, что позволит вам извлекать и сохранять максимальное значение входного сигнала.