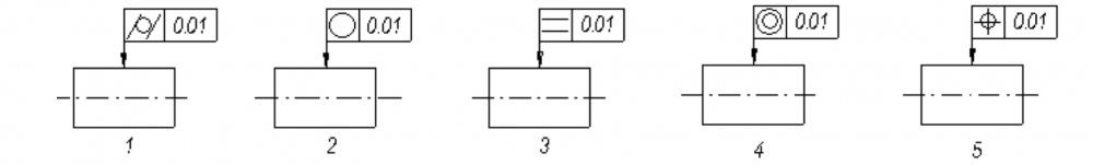
Укажите условное обозначение допуска круглости
![]()
Другие предметы Колледж Допуски геометрической формы допуск круглости метрология стандартизация сертификация колледж условное обозначение геометрические параметры
Допуск круглости обозначается символом, который представляет собой окружность с указанным радиусом или диаметром. В системе геометрических допусков (GD&T) это обозначение используется для контроля формы детали, чтобы убедиться, что она соответствует заданным требованиям.
Условное обозначение допуска круглости выглядит следующим образом:
Таким образом, для обозначения допуска круглости в технической документации используется символ окружности, за которым следует числовое значение, указывающее предельные отклонения от идеальной формы. Это позволяет конструкторам и производителям контролировать качество изготавливаемых деталей.