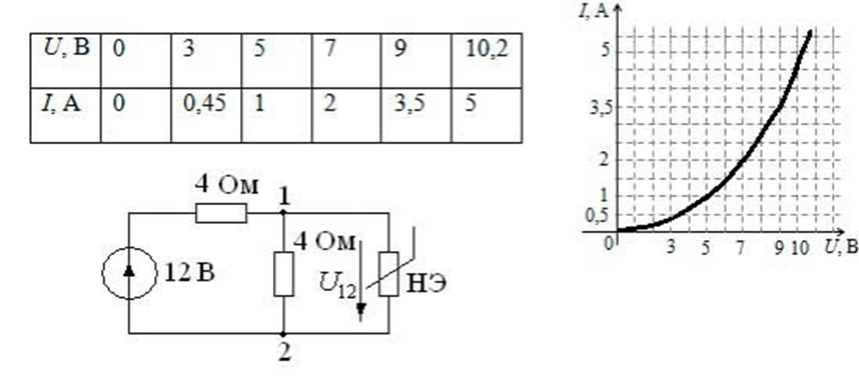
Чтобы определить напряжение на нелинейном элементе U12 по вольтамперной характеристике, следуем следующим шагам:
- Изучите вольтамперную характеристику: Вольтамперная характеристика (ВАХ) нелинейного элемента обычно представлена в виде таблицы значений тока и напряжения, а также графически. Вам нужно внимательно изучить как таблицу, так и график.
- Определите необходимые значения: Найдите значения тока (I) и напряжения (U) в таблице или на графике. Если у вас есть конкретное значение тока, например, I0, то вам нужно найти соответствующее значение напряжения U0, которое соответствует этому току.
- Чтение графика: Если вы используете график, найдите точку, соответствующую вашему значению тока. Проведите вертикальную линию от этой точки до пересечения с кривой ВАХ, а затем проведите горизонтальную линию до оси напряжения. Значение на оси напряжения будет искомым значением U12.
- Проверка значений: Убедитесь, что выбранные вами значения I и U находятся в пределах рабочей области нелинейного элемента. Если значения вышли за пределы, необходимо выбрать другие значения.
- Запишите результат: После нахождения значения напряжения U12, запишите его. Например, если U12 = 5 В, то это будет ваше окончательное значение.
Если у вас есть конкретные данные из таблицы или графика, пожалуйста, предоставьте их, и я помогу вам более точно определить напряжение U12.