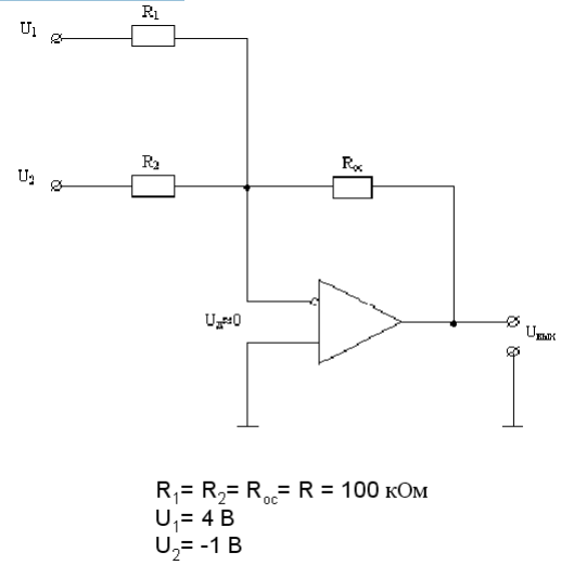
Чтобы ответить на вопрос о выходном напряжении (Uвых) схемы, необходимо учитывать несколько факторов, таких как тип схемы, компоненты, входное напряжение и конфигурация соединений. Давайте рассмотрим основные шаги, которые помогут вам определить выходное напряжение:
Выходное напряжение будет зависеть от того, с какой схемой вы работаете. Это может быть усилитель, делитель напряжения, инвертор и так далее. Убедитесь, что вы знаете, какую схему анализируете.
Посмотрите, какие элементы входят в схему (резисторы, конденсаторы, транзисторы и т.д.) и как они соединены. Это поможет вам понять, как они влияют на выходное напряжение.
Определите, какое входное напряжение (Uвх) подается на схему. Это значение часто является отправной точкой для расчета выходного напряжения.
В зависимости от типа схемы, используйте соответствующие формулы для расчета выходного напряжения. Например:
После того как вы рассчитали выходное напряжение, проверьте свои расчеты и убедитесь, что они соответствуют ожиданиям. Если у вас есть возможность, проведите эксперимент на практике для подтверждения расчетов.
Если у вас есть конкретная схема или пример, с которым вы работаете, пожалуйста, предоставьте его, и я смогу помочь вам более детально рассмотреть, как найти Uвых для этой схемы.