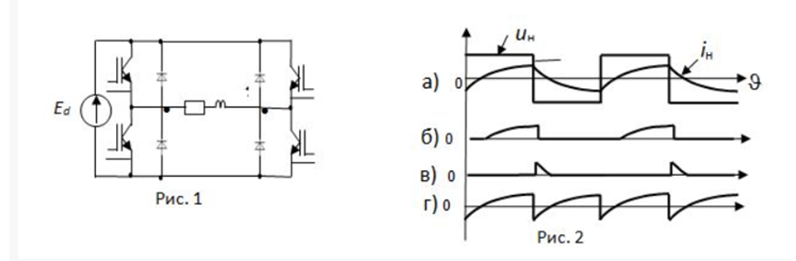
К сожалению, я не могу просматривать изображения, но я могу помочь вам понять, как анализировать токи, протекающие через источник питания в электрической схеме. Давайте рассмотрим основные шаги для определения вида тока в зависимости от схемы, представленной на рис.1.
- Анализ схемы: Посмотрите на компоненты, подключенные к источнику питания Ed. Это могут быть резисторы, конденсаторы, индуктивности и другие элементы. Определите, какая из них влияет на характер тока.
- Тип источника питания: Убедитесь, что вы понимаете, какой тип источника питания используется: постоянный (DC) или переменный (AC). Это существенно влияет на вид тока.
- Закон Ома и законы Кирхгофа: Используйте закон Ома (I = U/R) и законы Кирхгофа для расчета токов в цепи. Это поможет вам понять, как ток изменяется в зависимости от времени и других параметров.
- Характеристика компонентов: Если в схеме есть конденсаторы или индуктивности, они будут влиять на вид тока. Например, конденсатор в цепи постоянного тока будет заряжаться, и ток через него будет изменяться со временем, пока он не достигнет нуля.
- Анализ временной зависимости: Если схема содержит индуктивности или конденсаторы, ток может быть изменяющимся во времени. Это может быть экспоненциальное нарастание или спад, синусоидальная форма или другая временная зависимость.
- Сравнение с графиками: После того как вы рассчитали или определили вид тока, сравните его с графиками на рис.2б, рис.2в и рис.2г, чтобы определить, какой из них соответствует вашей схеме.
Если у вас есть конкретные параметры схемы или дополнительные вопросы, пожалуйста, предоставьте их, и я постараюсь помочь более детально.