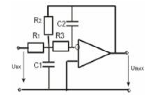
На рисунке
приведена схема фильтра:
Выберите один ответ:
Другие предметы Университет Фильтры сигналов схемотехника университет схема фильтра порядок фильтра второй порядок третий порядок первый порядок
Для того чтобы определить порядок фильтра по представленной схеме, необходимо рассмотреть несколько ключевых моментов.
Шаг 1: Определение порядка фильтраПорядок фильтра определяется количеством реактивных элементов (конденсаторов и индуктивностей), использованных в его конструкции. Каждый реактивный элемент добавляет один порядок к фильтру.
Шаг 2: Анализ схемыТеперь вам нужно внимательно рассмотреть рисунок фильтра, который у вас есть. Посчитайте количество реактивных элементов и определите порядок фильтра.
Пример:Таким образом, чтобы ответить на ваш вопрос, вам нужно просто посчитать количество реактивных элементов на рисунке. После этого вы сможете выбрать правильный ответ: первый, второй или третий порядок.