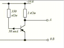
Напряжение на базе транзистора равно:

Другие предметы Университет Транзисторы напряжение на базе транзистора схемотехника транзистор база транзистора электрические схемы университет основы схемотехники
Чтобы определить напряжение на базе транзистора, нам нужно учитывать несколько факторов, таких как тип транзистора (NPN или PNP), его режим работы (активный, насыщенный или отсеченный), а также параметры схемы, в которой он используется.
Вот основные шаги, которые помогут вам рассчитать напряжение на базе транзистора:
Важно помнить, что правильный расчет напряжения на базе транзистора зависит от точности ваших измерений и правильного понимания схемы. Если у вас есть конкретные значения для элементов в вашей схеме, вы можете подставить их в формулы и выполнить расчеты.