Чтобы определить величину максимального напряжения на выходе интегратора при действии отрицательного импульса на входе, нужно рассмотреть, как работает интегратор и какие параметры нам известны.
Шаги решения:
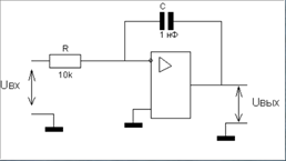
- Определение принципа работы интегратора:
- Интегратор — это устройство, которое на выходе выдает интеграл входного сигнала по времени. Это означает, что выходное напряжение пропорционально интегралу входного напряжения.
- Для идеального интегратора выходное напряжение Vout можно выразить как:
Vout(t) = -1/(RC) * ∫ Vin(t) dt,
где R — сопротивление, C — емкость интегратора.
- Анализ входного сигнала:
- В нашем случае входной сигнал — это отрицательный импульс амплитудой 1 В. Это означает, что Vin(t) будет отрицательным в течение некоторого времени, а затем вернется к нулю.
- Предположим, что импульс длится от времени t1 до t2, и его величина равна -1 В.
- Вычисление интеграла:
- Интеграл от входного сигнала за время t1 до t2 будет равен:
∫ Vin(t) dt = ∫ (-1 В) dt = -1*(t2 - t1).
- Таким образом, если импульс длится Δt = t2 - t1, то:
∫ Vin(t) dt = -Δt.
- Подстановка в формулу для Vout:
- Теперь подставим полученное значение интеграла в формулу для Vout:
Vout(t) = -1/(RC) * (-Δt) = Δt/(RC).
- Таким образом, максимальное напряжение на выходе интегратора будет пропорционально длительности импульса и обратно пропорционально произведению R и C.
- Вывод:
- Максимальное напряжение на выходе интегратора зависит от значений R и C, а также от длительности отрицательного импульса Δt.
- Если вам известны значения R, C и длительность импульса, вы можете подставить их в формулу, чтобы получить конкретное значение максимального напряжения на выходе.
Таким образом, чтобы окончательно ответить на вопрос, необходимо знать значения R, C и длительность импульса. Без этих данных можно лишь сказать, что максимальное напряжение будет пропорционально Δt/(RC).