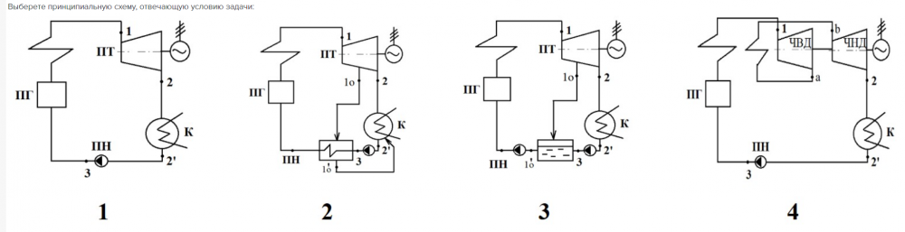
ПТУ мощностью 100 МВт работает на водяном паре при следующих параметрах: p1 = 13 МПа и t1 = 450 ℃ и p2 = 0,04 бар. Регенеративный подогрев питательной воды осуществляется за счет отбора пара в подогреватель поверхностного типа при p0 = 10 бар. Недогрев питательной воды до температуры насыщения греющего пара равен 4,8 ℃.
Выберете принципиальную схему, отвечающую условию задачи:
![]()
Другие предметы Университет Паровые турбины и их схемы техническая термодинамика ПТУ водяной пар параметры p1 t1 p2 регенеративный подогрев подогреватель недогрев питательной воды принципиальная схема
Для решения задачи о выборе принципиальной схемы паротурбинного установки (ПТУ), давайте разберем все параметры и условия, которые нам даны:
Исходя из этих данных, мы можем выделить несколько ключевых моментов, которые помогут нам выбрать подходящую принципиальную схему:
Учитывая все вышеперечисленные аспекты, подходящей принципиальной схемой будет:
Таким образом, мы можем заключить, что предложенная схема будет эффективно работать в заданных условиях и обеспечит необходимую мощность при оптимизации процесса нагрева питательной воды.