Укажите схему с максимальным диапазоном логарифмирования входных сигналов



Другие предметы Университет Аналоговые схемы обработки сигналов схема логарифмирования максимальный диапазон входные сигналы схемотехника университет электрические схемы анализ сигналов логарифмическая схема
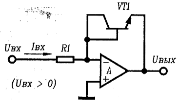
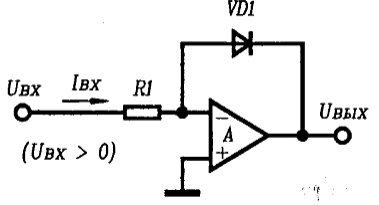
Для достижения максимального диапазона логарифмирования входных сигналов в схемах, обычно используются логарифмические усилители. Эти схемы способны преобразовывать входной сигнал в логарифмическую форму, что позволяет значительно расширить диапазон входных сигналов. Давайте рассмотрим основные шаги, которые помогут вам понять, как это работает.
1. Основы логарифмических усилителей:Таким образом, для получения схемы с максимальным диапазоном логарифмирования входных сигналов, необходимо использовать логарифмический усилитель на основе операционного усилителя и активных элементов, таких как диоды или транзисторы. Это обеспечит вам эффективное преобразование и расширение диапазона обрабатываемых сигналов.