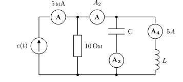
Входное напряжение при резонансе равно:

Другие предметы Университет Резонанс в электрических цепях электротехника университет резонанс входное напряжение 50 мВ 1 В 100 мВ 5 мВ
Чтобы ответить на вопрос о входном напряжении при резонансе, сначала необходимо понять, что такое резонанс в электрических цепях.
Резонанс - это состояние в электрической цепи, когда реактивные сопротивления (индуктивное и емкостное) уравновешиваются, и цепь начинает вести себя как резистор. В этом состоянии ток в цепи достигает максимального значения при заданной частоте.
Теперь давайте рассмотрим предложенные варианты входного напряжения:
При резонансе входное напряжение зависит от параметров цепи, таких как сопротивление, индуктивность и емкость. Однако без дополнительных данных о конкретной цепи невозможно точно определить, какое из предложенных значений является правильным. Тем не менее, можно сделать некоторые предположения:
Таким образом, для точного ответа необходимо больше информации о контуре, его параметрах и условиях работы. Если у вас есть дополнительные данные, пожалуйста, предоставьте их, и я помогу вам более точно определить входное напряжение при резонансе.