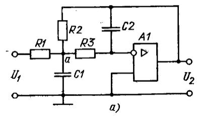
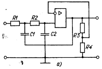
Выберите схему из предложенных Звено ФНЧ (фильтр Sallen-Key)



Другие предметы Университет Фильтры и схемы на операционных усилителях схема ФНЧ фильтр Sallen-Key схемотехника университет выбор схемы ФНЧ фильтры в схемотехнике
Фильтр Sallen-Key – это один из наиболее популярных типов активных фильтров, который используется для реализации различных типов фильтров, таких как низкочастотные, высокочастотные и полосовые. Чтобы выбрать схему звена фильтра низких частот (ФНЧ) Sallen-Key, давайте рассмотрим основные этапы и критерии выбора.
Шаги для выбора схемы ФНЧ Sallen-Key:После выполнения всех этих шагов вы сможете выбрать наиболее подходящую схему звена ФНЧ Sallen-Key. Если у вас есть конкретные схемы на руках, вы можете обсудить их характеристики и выбрать ту, которая лучше всего соответствует вашим требованиям.