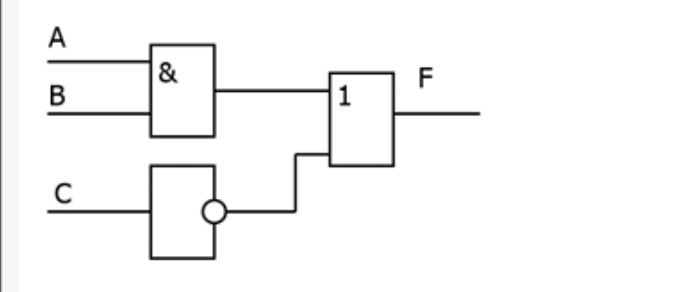
На входе логической схемы при F=1 возможна следующая комбинация сигналов (А. В, С)
(1 0 1)
(0 1 1)
(1 1 0)
Другие предметы Колледж Логические схемы логическая схема входные сигналы комбинации сигналов информатика колледж задания по информатике логика и схемы цифровая логика учебные материалы информатика
Для анализа логической схемы с заданными входами (A, B, C) и выходом F, равным 1, нам нужно рассмотреть каждую из возможных комбинаций сигналов. Давайте разберем их по порядку.
Шаг 1: Определение комбинацийУ нас есть три комбинации входных сигналов, при которых выход F равен 1:
Теперь давайте проанализируем каждую комбинацию и выясним, какие значения имеют входные сигналы:
Теперь, когда мы проанализировали входные сигналы, нам нужно определить, какая логическая функция может давать выход F = 1 для этих комбинаций. Мы можем использовать метод минимизации логических выражений, например, метод Карно, но в данном случае мы просто составим логическое выражение.
Выход F можно выразить через логические операции следующим образом:
Теперь проверим, действительно ли это выражение дает F = 1 для всех указанных комбинаций:
Таким образом, мы подтвердили, что логическая функция корректна.
Вывод:При заданных входных сигналах (A, B, C) выход F будет равен 1 для комбинаций (1, 0, 1), (0, 1, 1) и (1, 1, 0). Мы составили логическое выражение, которое описывает эти условия.