Для определения коэффициента усиления схемы необходимо понимать, о каком именно типе схемы идет речь, так как коэффициент усиления может варьироваться в зависимости от конфигурации (например, усилитель напряжения, тока или мощности). Однако я опишу общий подход к вычислению коэффициента усиления.
Шаги для определения коэффициента усиления:
- Определите тип усилителя: Убедитесь, что вы знаете, какой именно усилитель вы анализируете (например, операционный усилитель, биполярный транзистор и т.д.).
- Соберите необходимые данные: Вам понадобятся значения входного и выходного сигналов. Например, если у вас есть усилитель напряжения, вам нужно знать входное напряжение (Vin) и выходное напряжение (Vout).
- Используйте формулу для расчета коэффициента усиления:
- Для усилителя напряжения:
Av = Vout / Vin
- Для усилителя тока:
Ai = Iout / Iin
- Для усилителя мощности:
Ap = Pout / Pin
- Подставьте значения: Вставьте известные значения в соответствующую формулу.
- Вычислите коэффициент усиления: Проведите расчеты, чтобы получить числовое значение коэффициента усиления.
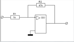
Например, если у вас есть входное напряжение 1 В и выходное напряжение 10 В, то коэффициент усиления напряжения будет равен:
Av = Vout / Vin = 10 В / 1 В = 10
Таким образом, коэффициент усиления данной схемы равен 10.
Если у вас есть конкретная схема и значения, пожалуйста, предоставьте их, и я помогу вам рассчитать коэффициент усиления более детально.