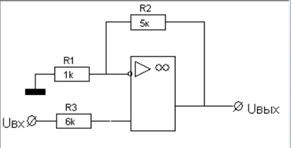
Определить коэффициент усиления схемы

Другие предметы Колледж Коэффициент усиления усилительных схем коэффициент усиления схемотехника колледж определение коэффициента схемы усиления
Чтобы определить коэффициент усиления схемы, необходимо следовать нескольким шагам. Коэффициент усиления (K) может быть рассчитан как отношение выходного сигнала к входному сигналу. Давайте рассмотрим процесс более подробно:
Пример: Если Vin = 1 В, а Vout = 10 В, то коэффициент усиления будет K = 10 / 1 = 10. Это означает, что схема усиливает сигнал в 10 раз.
Если у вас есть конкретная схема, вы можете предоставить ее параметры, и я помогу вам рассчитать коэффициент усиления более детально.