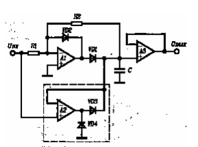
С какой полярностью входных сигналов работает данная схема пикового детектора?

Другие предметы Университет Пиковый детектор схема пикового детектора полярность входных сигналов входные сигналы схемотехника положительная полярность отрицательная полярность анализ схемы детектора
Чтобы определить полярность входных сигналов, с которой работает схема пикового детектора, необходимо рассмотреть принцип её работы.
Пиковый детектор предназначен для отслеживания максимальных значений входного сигнала. Он обычно состоит из диода, конденсатора и резистора. Основные шаги для анализа схемы:
Таким образом, можно сделать вывод, что:
Ответ: Положительная.