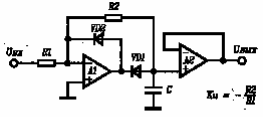
С какой полярностью входных сигналов работает приведенная схема пикового детектора?

Другие предметы Университет Пиковый детектор пиковый детектор полярность входных сигналов схемотехника входные сигналы анализ схемы электрические схемы детекторы сигналов
Чтобы определить полярность входных сигналов, с которой работает схема пикового детектора, давайте рассмотрим основные принципы работы такого устройства.
Пиковый детектор — это схема, которая позволяет извлекать максимальные значения входного сигнала. Обычно она состоит из диода, конденсатора и резистора. Основная задача пикового детектора — сохранить максимальное значение напряжения на конденсаторе.
Теперь рассмотрим, как работает пиковый детектор:
Теперь, что касается полярности:
Таким образом, можно сделать вывод, что пиковый детектор работает с положительной полярностью входных сигналов. Если сигнал будет отрицательным, он не сможет корректно выполнять свою функцию.
Ответ: Положительная