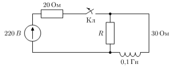
Величина R, при которой в момент размыкания Кл напряжение v(R) не превысит 120 В, равна:

Другие предметы Университет Электрические цепи электротехника университет величина R напряжение v(R) размыкание Кл 120 В 60 Ом 120 Ом 100 Ом 80 Ом
Чтобы определить величину сопротивления R, при которой напряжение v(R) не превысит 120 В в момент размыкания ключа, необходимо рассмотреть схему электрической цепи, в которой присутствует источник напряжения и конденсатор.
Сначала давайте вспомним, что напряжение на конденсаторе при размыкании ключа можно выразить через сопротивление R и ёмкость C. В момент размыкания ключа происходит процесс разряда конденсатора через сопротивление R, и напряжение на конденсаторе будет зависеть от времени и величины сопротивления.
При разряде конденсатора напряжение v(R) можно описать уравнением:
где V0 - начальное напряжение на конденсаторе, R - сопротивление, C - ёмкость конденсатора, t - время.
В нашем случае нам необходимо, чтобы v(R) не превышало 120 В. Если предположить, что начальное напряжение V0 равно 120 В, то мы можем записать неравенство:
Это неравенство будет выполняться, если:
Это условие всегда выполняется, так как экспоненциальная функция e^x всегда положительна. Однако, для определения конкретного значения R, нужно учитывать, что при определенном значении R, напряжение на конденсаторе будет достигать 120 В в момент размыкания.
Теперь, чтобы найти конкретное значение R, нам нужно использовать данные о цепи. Если в условии не указано значение ёмкости C, то мы можем рассмотреть варианты, предложенные в вопросе. Чтобы напряжение не превышало 120 В, выбираем максимальное значение R из предложенных вариантов, так как с увеличением R напряжение будет снижаться.
Таким образом, из предложенных вариантов:
Наибольшее значение - 120 Ом. Это значение R обеспечит, что напряжение на конденсаторе не превысит 120 В.
Ответ: 120 Ом.